NMI 纳米定位器
NMI 纳米定位器采用超微型、低温压电纳米定位器,专为科学和工业应用中的高精度和稳定性而设计。它们专为需要精细扫描范围和高分辨率位置传感的应用而设计,使其成为精度至关重要的高级研发项目的理想选择。
NMI 纳米定位器采用超微型、低温压电纳米定位器,专为科学和工业应用中的高精度和稳定性而设计。它们专为需要精细扫描范围和高分辨率位置传感的应用而设计,使其成为精度至关重要的高级研发项目的理想选择。
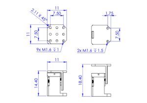
NNP11X2 – 低温超小型卧式压电纳米定位台
NNP11Z4 – 低温超小型立式压电纳米定位台
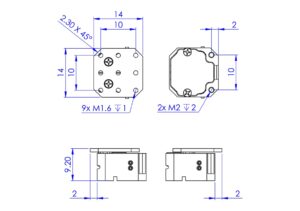
NNP14X4 – 低温卧式压电纳米定位台
NNP14Z6 – 低温立式压电纳米定位台
NNP24X6 – 低温卧式压电纳米定位台
NNP24Z12 – 低温超小型立式压电纳米定位台






我们希望了解您的需求,请填写以下表单并提交